EHSU-1-075
F1 Series
Features
Key Features
Applications
Applications
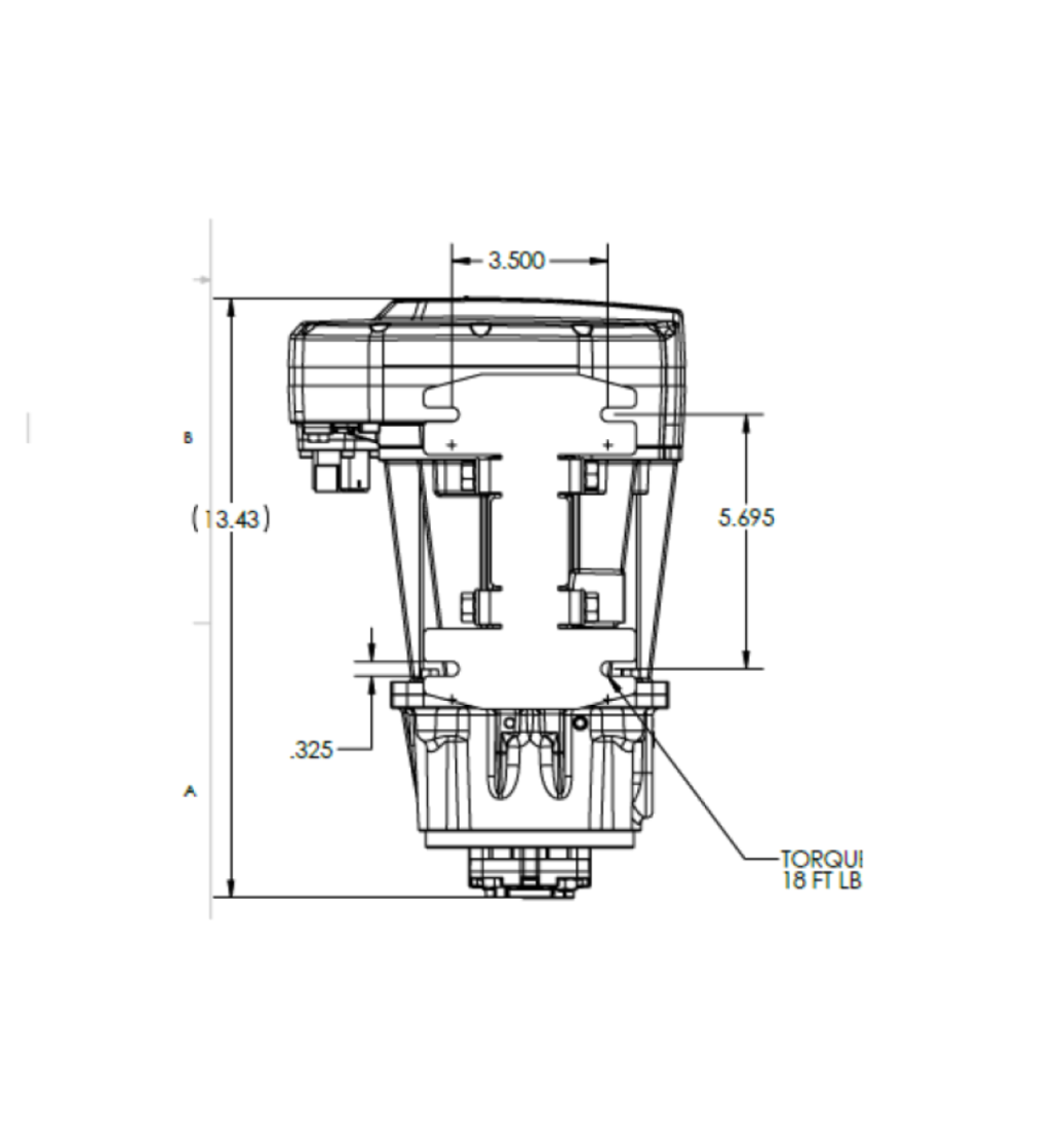
Specifications
Specifications
Accessories
Accessories
Details
The EHSU-1-075 Steering unit provides up to 5 kW of power and integrates a system pressure relief and onboard pressure control. Multiple mounting configurations allow for flexible and compact fitment into the vehicle chassis. All EHSU steering pumps come standard with our quiet helical gear pump.
- Rated Power:
- Input Power:
- Rated Current:
- Weight:
- Temperature Rating:
Order Codes
EHSU – 1 – 075 – xxx – U – 6E – XXX
OEM Customs
Download Data
CAD Files
More Info
Environmental Protection Projections
Climate
- SAE J1455-4.1.3 Temperature Cycle
- SAE J1455-4.1.3 Thermal Shock
- SAE J1455-4.1.3 Thermal Stress
- SAE J1455-4.2 Humidity
Mechanical Vibration
- SAE J1455-4.10 Swept Sine Vibration
- SAE J1455-4.10.4 Random Vibration
- SAE J1455-4.11 Mechanical Shock
- SAE J1455-4.11 Operational Shock / Harness Shock
- SAE J1455-4.12 Combined Environmental
- ISO 16750 Vibration
Electrical
- SAE J1455-4.13 Heavy-Duty Truck Electrical Environment
EMI/EMC EIC
-
IEC 61000-6-4 Radiated Emissions
-
IEC 61000-6-2 Industrial Immunity
-
FCC Part 15B Class A
-
CISPR 25
-
ISO 11452-2 Radiated Immunity (RI)
-
ISO 11452-4 Bulk Current Injection (BCI)
-
ISO 10605 Electrostatic Discharge (ESD)
-
ISO 7637-2 (3rd Edition) Electrical Transients (on 12VDC lines)

























